ME 218C Final Project
Introduction
Mechanical
Hardware
Electrical
Hardware
Software
Gems of
Wisdom
Pictures/
Video
Links
Helm Board 1
Helm Board 2
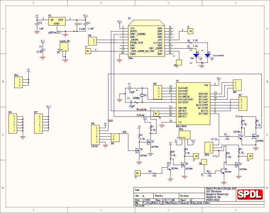
Helm Radio Board
Ship Board 1
Ship Board 2
Ship Radio Board
Design Calculations
Electrical Hardware Design