My First Viking Longship
Water Craft: Electrical
Home
The Game

Water Craft

     Microcontrollers
     Software
     Electronics
     Mechanics
Helm

Communications

Gems of Wisdom
Media
Click the thumbnail for a larger image
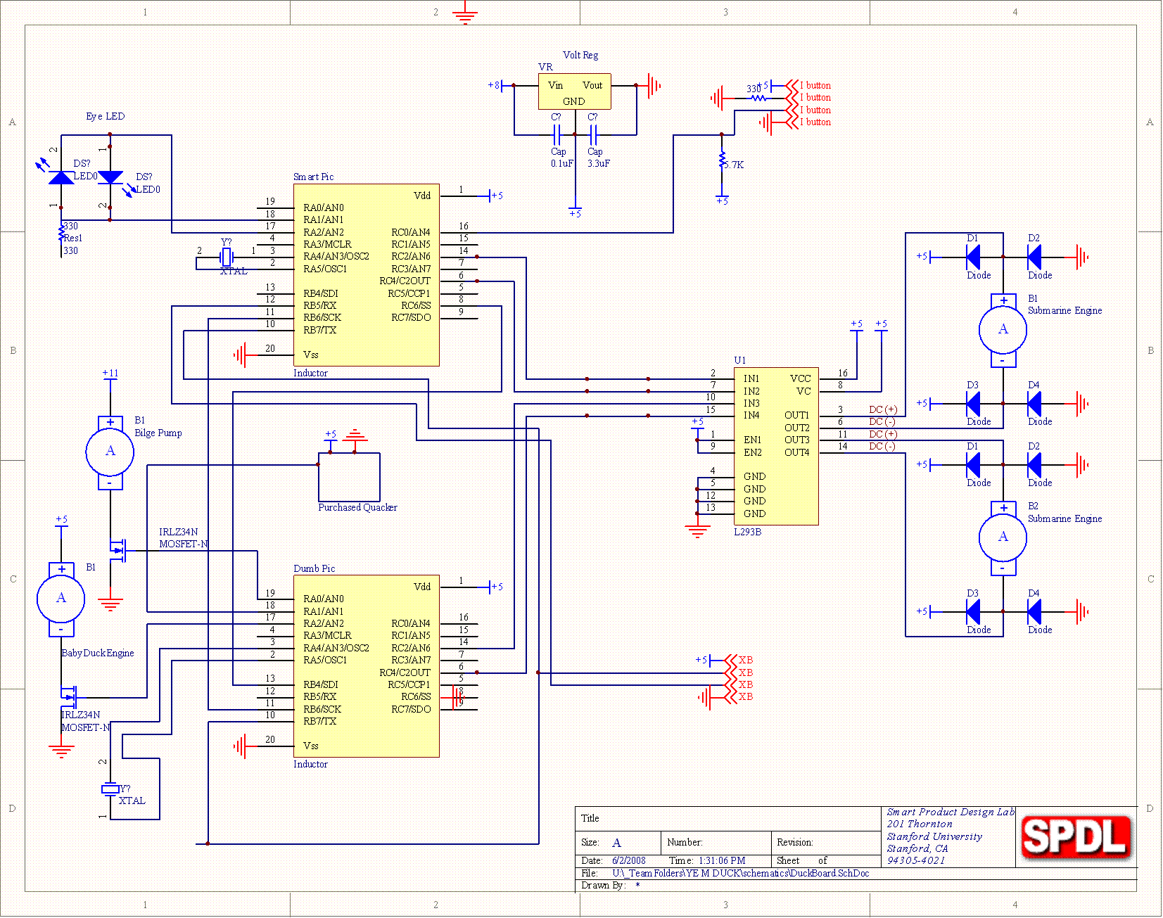
Circuitry on Duck


This schematic contains all of the electronics mounted in the duck. It uses the PWM outputs from each of the PICs to drive an H-bridge chip for steering. Mosfets for activating the bilge pump and babyduck engine. Both PICs can hear what is being received on the XBee radio, but only the Smart PIC can transmit. Smart PIC also controls a motor, reads the iButton, and displays team affilation. Dumb PIC controls one of the motors, the pump, the mostget controlling the baby duck, and a quackng device.